logo
   加入收藏 | 网站地图| 企业邮局
热线电话:13405760029
主页导航 关于我们 产品展示 新闻动态 资质荣誉 在线留言 联系我们
    • 主营业务:直线导轨 滚珠丝杆 直线轴 圆导轨
      直线轴承 线性模组 活塞杆 六方轴
      电话:0510-85199008 13405760029
    • 主营业务:直线导轨 滚珠丝杆 直线轴 圆导轨
      直线轴承 线性模组 活塞杆 六方轴
      电话:0510-85199008 13405760029
     
    产品列表  
    六方轴
    直线导轨
    滚珠丝杆
    直线滑动单元
    直线轴
    联系我们

    地址:无锡市滨湖区胡埭镇钱胡路1399号
    电话:0510-85199008
    传真:0510-85192258
    联系人:赵经理 13405760029
    网址:www.wxmaoyin.com
    邮箱:245604501@qq.com

     
    当前位置:首页 > 产品展示 > DFSI
    DFSI
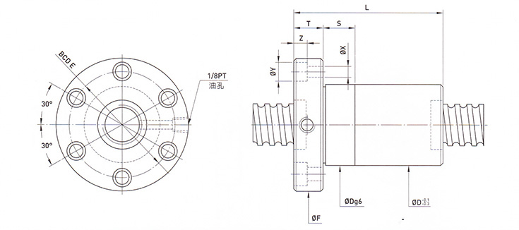
    型号 规格 珠径 PCD 根径 珠卷数 刚性K
    (kgf/μm)
    动负荷
    C(kgf)
    静负荷
    Co(kgf)
    螺帽 法兰 法兰孔 接触面长
    公称
    外径
    导程 D L F T BCD-E X Y Z S
    20-5T3 20 5 3.175 20.6 17.324 3×2 39 852 1767 34 67 57 12 45 5.5 9.5 5.5 24
    20-6T3 6 3.969 20.8 16.744 3×2 39 1091 2081 36 77 60 12 48 5.5 9.5 5.5 24
    25-5T3 25 5 3.175 25.6 22.324 3×2 55 977 2314 40 67 64 12 52 5.5 9.5 5.5 24
    25-6T3 6 3.969 25.8 21.744 3×2 56 1272 2762 42 77 65 12 53 5.5 9.5 5.5 24
    32-5T3 32 5 3.175 32.6 29.324 3×2 64 1117 3081 48 67 74 12 60 6.5 11 6.5 24
    32-5T4 32.6 39.324 4×2 82 1431 4108 48 77 74 12 60 6.5 11 6.5 24
    32-6T3 6 3.969 32.8 28.744 3×2 65 1446 3620 50 67 76 12 62 6.5 11 6.5 24
    32-6T4 32.8 28.744 4×2 84 1852 4826 50 90 76 12 62 6.5 11 6.5 24
    32-8T3 8 4.763 33 28.132 3×2 68 1810 4227 52 100 78 16 64 6.6 11 6.5 24
    32-8T4 33 28.132 4×2 82 2317 5635 52 117 78 16 64 6.6 11 6.5 24
    32-10T3 10 6.350 33.4 26.91 3×2 68 2539 5327 56 120 82 16 68 6.6 11 6.5 24
    36-8T4 36 8 4.763 37 32.132 4 88 2531 6614 56 116 86 15 70 9 14 8.5 25
    40-5T4 40 5 3.175 40.6 37.324 4×2 99 1599 5280 54 81 80 16 66 6.6 11 6.5 24
    40-5T6 40.6 37.324 6×2 146 2265 7919 54 102 80 16 66 6.6 11 6.5 24
    40-6T4 6 3.969 40.8 36.744 4×2 100 2136 6420 56 94 88 16 72 9 14 8.5 30
    40-6T6 40.8 36.744 6×2 148 3028 9630 56 119 88 16 72 9 14 8.5 30
    40-8T4 8 4.763 41 36.132 4×2 102 2728 7596 60 117 92 16 75 9 14 8.5 30
    40-10T3 10 6.350 41.4 34.91 3×2 76 2959 7069 65 123 96 16 80 9 14 8.5 30
    40-10T4 41.4 34.91 4×2 101 3789 9426 65 143 96 16 80 9 14 8.5 30
    50-5T4 50 5 3.175 50.6 47.324 4×2 121 1757 6745 65 81 96 16 80 9 14 8.5 30
    50-5T6 50.6 47.324 6×2 177 2490 10117 65 102 96 16 80 9 14 8.5 30
    50-6T4 6 3.969 50.8 46.744 4×2 123 2388 8250 68 64 100 16 84 9 14 8.5 30
    50-6T6 50.8 46.744 6×2 179 3384 12378 68 119 100 16 84 9 14 8.5 30
    50-8T4 8 4.763 51 46.132 4×2 122 2998 9578 70 120 102 16 85 9 14 8.8 30
    50-10T3 10 6.350 51.4 44.91 3×2 95 3397 9256 74 123 114 18 92 11 17.5 11 40
    50-10T4 51.4 44.91 4×2 124 4350 12341 74 143 114 18 92 11 17.5 11 40
    50-12T3 12 7.938 51.8 43.688 3×2 94 4420 11047 78 147 118 18 96 11 17.5 11 40
    63-6T4 63 6 3.969 63.8 59.744 4×2 148 2614 10542 80 96 119 18 98 11 17.5 11 40
    63-6T3 63.8 59.744 3×2 220 3704 15813 80 121 119 18 98 11 17.5 11 40
    63-8T4 8 4.763 64 59.132 4×2 152 3395 12541 82 119 122 18 100 11 17.5 11 40
    63-10T4 10 6.350 64.4 57.91 4×2 158 4860 15858 88 147 134 20 110 14 20 13 40
    63-12T3 12 7.938 64.8 56.688 3×2 114 5059 14470 92 150 138 20 114 14 20 13 40
    注:表列刚性值,在预压力为10%动负荷的条件下计算。
    相关产品
    六方轴
    六方轴
    GHH 15CA
    GHH 15CA
    GHH 20CA
    GHH 20CA
    GHH 25CA
    GHH 25CA
        
    COPYRIGHT © 2017 无锡市茂银机械设备有限公司 版权所有.
    地址:无锡市滨湖区胡埭镇钱胡路1399号 电话:0510-85199008 传真:0510-85192258 联系人:赵经理 13405760029 网址:www.wxmaoyin.com