logo
   加入收藏 | 网站地图| 企业邮局
热线电话:13405760029
主页导航 关于我们 产品展示 新闻动态 资质荣誉 在线留言 联系我们
    • 主营业务:直线导轨 滚珠丝杆 直线轴 圆导轨
      直线轴承 线性模组 活塞杆 六方轴
      电话:0510-85199008 13405760029
    • 主营业务:直线导轨 滚珠丝杆 直线轴 圆导轨
      直线轴承 线性模组 活塞杆 六方轴
      电话:0510-85199008 13405760029
     
    产品列表  
    六方轴
    直线导轨
    滚珠丝杆
    直线滑动单元
    直线轴
    联系我们

    地址:无锡市滨湖区胡埭镇钱胡路1399号
    电话:0510-85199008
    传真:0510-85192258
    联系人:赵经理 13405760029
    网址:www.wxmaoyin.com
    邮箱:245604501@qq.com

     
    当前位置:首页 > 产品展示 > GH直线导轨
    GH直线导轨

    GHH-CA / GHH-HA


    型号 组件尺寸
    mm
    滑块尺寸
    mm
    滑轨尺寸
    mm
    滑轨固定
    螺栓尺寸
    额定
    动载核
    额定
    静载核
    容许
    静力矩
    kgf.m
    H H1 N W B B1 C L1 L K1 G M×L T H2 H3 WR HR D h d P E mm C(kN) C0(kN) MR MP MY
    GHH 15CA 28 4.3 9.5 34 26 4 26 39.4 61.4 10 5.3 M4×5 6 7.95 7.7 15 15 7.5 5.3 4.5 60 20 M4×16 11.38 16.97 0.12 0.10 0.10
    GHH 20CA 30 4.6 12 44 32 6 36 50.5 77.5 12.25 12 M5×6 8 6 6 20 17.5 9.5 8.5 6 60 20 M5×16 17.75 27.76 0.27 0.20 0.20
    GHH 20HA 50 65.2 92.2 12.6 21.18 35.9 0.35 0.35 0.35
    GHH 25CA 40 5.5 12.5 48 35 6.5 35 58 84 15.7 12 M6×8 8 10 9 23 22 11 9 7 60 20 M6×20 26.48 36.49 0.42 0.33 0.33
    GHH 25HA 50 78.6 104.6 18.5 32.75 49.44 0.56 0.57 0.57
    GHH 30CA 45 6 16 60 40 10 40 70 97.4 20.25 12 M8×10 8.5 9.5 13.8 28 26 14 12 9 80 20 M8×25 38.74 52.19 0.66 0.53 0.53
    GHH 30HA 60 93 120.4 21.75 47.27 69.16 0.88 0.92 0.92
    GHH 35CA 55 7.5 18 70 50 10 50 80 112.4 20.6 12 M8×12 10.2 16 19.6 34 29 14 12 9 80 20 M8×25 49.52 69.16 1.16 0.81 0.81
    GHH 35HA 72 105.8 138.2 22.5 60.21 91.63 1.54 1.40 1.40
    GHH 45CA 70 9.5 20.5 86 60 13 60 97 139.4 23 12.9 M10×17 16 18.5 30.5 45 38 20 17 14 105 22.5 M12×35 77.57 102.71 1.98 1.55 1.55
    GHH 45HA 80 128.8 171.2 28.9 94.54 136.46 2.63 2.68 2.68
    GHH 55CA 80 13 23.5 100 75 12.5 75 117.7 166.7 27.35 12.9 M12×18 17.5 22 29 53 44 23 20 16 120 30 M14×45 114.44 148.33 3.69 2.64 2.64
    GHH 55HA 95 155.8 204.8 36.4 139.35 196.2 4.88 4.57 4.57
    GHH 65CA 90 15 31.5 126 76 25 70 144.2 200.2 43.1 12.9 M16×20 25 15 15 63 53 26 22 18 150 35 M16×50 163.63 215.33 6.65 4.27 4.27
    GHH 65HA 120 203.6 259.6 47.8 208.36 303.13 9.38 7.38 7.38


    GHW-CC / GHW-HC


    型号 组件尺寸
    mm
    滑块尺寸
    mm
    滑轨尺寸
    mm
    滑轨固定
    螺栓尺寸
    额定
    动载核
    额定
    静载核
    容许
    静力矩
    kgf.m
    H H1 N W B B1 C L1 L K1 G M T T1 H2 H3 WR HR D h d P E mm C(kN) C0(kN) MR MP MY
    GHW 15CC 24 4.3 16 47 38 4.5 30 39.4 61.4 8 5.3 M5 6 8.9 3.95 3.7 15 15 7.5 5.3 4.5 60 20 M4×16 11.38 16.97 0.12 0.10 0.10
    GHW 20CC 30 4.6 21.5 63 53 5 40 50.5 77.5 10.25 12 M6 8 10 6 6 20 17.5 9.5 8.5 6 60 20 M5×16 17.75 27.76 0.27 0.20 0.20
    GHW 20HC 65.2 92.2 17.6 21.18 35.9 0.35 0.35 0.35
    GHW 25CC 36 5.5 23.5 70 57 6.5 45 58 84 10.7 12 M8 8 14 6 5 23 22 11 9 7 60 20 M6×20 26.48 36.49 0.42 0.33 0.33
    GHW 25HC 78.6 104.6 21 32.75 49.44 0.56 0.57 0.57
    GHW 30CC 42 6 31 90 72 9 52 70 97.4 14.25 12 M10 8.5 16 6.5 10.8 28 26 14 12 9 80 20 M8×25 38.74 52.19 0.66 0.53 0.53
    GHW 30HC 93 120.4 25.75 47.27 69.16 0.88 0.92 0.92
    GHW 35CC 48 7.5 33 100 82 9 62 80 112.4 14.6 12 M10 10.1 18 9 12.6 34 29 14 12 9 80 20 M8×25 49.52 69.16 1.16 0.81 0.81
    GHW 35HC 105.8 138.2 27.5 60.21 91.63 1.54 1.40 1.40
    GHW 45CC 60 9.5 37.5 120 100 10 80 97 139.4 13 12.9 M12 15.1 22 8.5 20.5 45 38 20 17 14 105 22.5 M12×35 77.57 102.71 1.98 1.55 1.55
    GHW 45HC 128.8 171.2 28.9 94.54 136.46 2.63 2.68 2.68
    GHW 55CC 70 13 43.5 140 116 12 95 117.7 166.7 17.35 12.9 M14 17.5 26.5 12 19 53 44 23 20 16 120 30 M14×45 114.44 148.33 3.69 2.64 2.64
    GHW 55HC 155.8 204.8 36.4 139.45 196.2 4.88 4.57 4.57
    GHW 65CC 90 15 53.5 170 142 14 110 144.2 200.2 23.1 12.9 M16 25 37.5 15 15 63 53 26 22 18 150 35 M16×50 163.63 215.33 6.65 4.27 4.27
    GHW 65HC 203.6 259.6 52.8 208.36 303.13 9.38 7.38 7.38

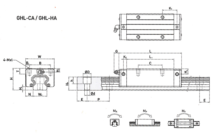
    GHL-CA / GHL-HA

    型号 组件尺寸
    mm
    滑块尺寸
    mm
    滑轨尺寸
    mm
    滑轨固定
    螺栓尺寸
    额定动载核 额定静载核 容许静力矩
    kgf.m
    H H1 N W B B1 C L1 L K1 K2 G M×L T H2 H3 WR HR D h d P E mm C(kN) C0(kN) MR MP MY
    GHL 15CA 24 4.3 9.5 34 26 4 26 39.4 61.4 10 4.85 5.3 M4×4 6 3.95 3.7 15 15 7.5 5.3 4.5 60 20 M4×16 11.38 16.97 0.12 0.10 0.10
    GHL 25CA 36 5.5 12.5 48 35 6.5 35 58 84 15.7 6 12 M6×6 8 6 5 23 22 11 9 7 60 20 M6×20 26.48 36.49 0.42 0.33 0.33
    GHL 25HA 50 78.6 104.6 18.5 32.75 49.44 0.56 0.57 0.57
    GHL 30CA 42 6 16 60 40 10 40 70 97.4 20.25 6 12 M8×10 8.5 6.5 10.8 28 26 14 12 9 80 20 M8×25 38.74 52.19 0.66 0.53 0.53
    GHL 30HA 60 93 120.4 21.75 47.27 69.16 0.88 0.92 0.92
    GHL 35CA 48 7.5 18 70 50 10 50 80 112.4 20.6 7 12 M8×12 10.2 9 12.6 34 29 14 12 9 80 20 M8×25 49.52 69.16 1.16 0.81 0.81
    GHL 35HA 72 105.8 138.2 22.5 60.21 91.63 1.54 1.40 1.40
    GHL 45CA 60 9.5 20.5 86 60 13 60 97 139.4 23 10 12.9 M10×17 16 8.5 20.5 45 38 20 17 14 105 22.5 M12×35 77.57 102.71 1.98 1.55 1.55
    GHL 45HA 80 128.8 171.2 28.9 94.54 136.46 2.63 2.68 2.68
    GHL 55CA 70 13 23.5 100 75 12.5 75 117.7 166.7 27.35 11 12.9 M12×18 17.5 12 19 53 44 23 20 16 120 30 M14×45 114.44 148.33 3.69 2.64 2.64
    GHL 55HA 95 155.8 204.8 36.4 139.35 196.2 4.88 4.57 4.57
    相关产品
    六方轴
    六方轴
    GHH 15CA
    GHH 15CA
    GHH 20CA
    GHH 20CA
    GHH 25CA
    GHH 25CA
        
    COPYRIGHT © 2017 无锡市茂银机械设备有限公司 版权所有.
    地址:无锡市滨湖区胡埭镇钱胡路1399号 电话:0510-85199008 传真:0510-85192258 联系人:赵经理 13405760029 网址:www.wxmaoyin.com